{{ variable.name }}
Quantity:

Download files:
https://d.hlktech.net/Mobile/Download
Product Feature
1. Wide input voltage range 2:1, isolated regulated output 5W
2. Isolation voltage 1500VDC
3. Transfer efficiency up to 86%
4. Quick Start:100mS(Typ)
5. Operating temperature range :-40°C~+85°C
6. Small SIP package, metal case, low output ripple
7. International standard pin,direct installation of PCB board
8. Output short-circuit protection: continuous short circuit protection, automatic recovery
Enviroment Condition
| Project name | Qualification | Unit | Notes |
| Working enviroment temperature | -40—+85 | ℃ | |
| Storage temperture | -40—+125 ℃ | ℃ | |
| Relative humidity | 5—95 | % | |
| Heat dissipation mode | natural cooling | ||
| Atmospheric pressure | 80—106 Kpa | Kpa | |
| Ripple & Noise | 50/80(max) | Mvp-p |
Input Characteristics
| Item | Working conditions | Min. | Typ. | Max. | Unit | |
| Input voltage range(fully loaded/unloaded) | 12VDC Input Series | 3.3V | - | 714/25 | 733/42 | |
| 5.0V | - | 1067/25 | 1096/42 | |||
| 12.0V | - | 845/25 | 867/42 | |||
| 15.0V | - | 1003/25 | 1028/42 | mA | ||
| 24.0V | - | 911/25 | 1015/42 | |||
| 24VDC Input Series | 3.3V | - | 357/13 | 366/21 | ||
| 5.0V | - | 533/13 | 548/21 | |||
| 12.0V | - | 423/13 | 434/21 | |||
| 15.0V | - | 502/13 | 514/21 | |||
| 24.0V | - | 455/13 | 508/21 | |||
| 48VDC Input Series | 3.3V | - | 179/7 | 183/11 | ||
| 5.0V | - | 267/7 | 274/11 | |||
| 12.0V | - | 212/7 | 217/11 | |||
| 15.0V | - | 251/7 | 257/11 | |||
| 24.0V | - | 228/7 | 148/11 | |||
| 110VDC Input Series | 3.3V | - | 78/3 | 80/2 | ||
| 5.0V | - | 116/3 | 119/5 | |||
| 12.0V | - | 109/3 | 111/5 | |||
| 15.0V | - | 209/3 | 214/5 | |||
| 24.0V | - | 105/3 | 107/5 | |||
| Reflected Ripple Current | 12VDC Input Series | -- | 60 | -- | mA | |
| 24VDC Input Series | -- | 40 | -- | |||
| 48VDC Input Series | -- | 30 | -- | |||
| 110VDC Input Series | -- | 20 | -- | |||
| Impulse voltage (Isec.max) | 12VDC Input Series | -0.7 | -- | 30 | VDC | |
| 24VDC Input Series | -0.7 | -- | 50 | |||
| 48VDC Input Series | -0.7 | -- | 100 | |||
| 110VDC Input Series | -0.7 | -- | 200 | |||
| Start voltage | 12VDC nominal input series, nominal input voltage | - | - | 9 | ||
| 24VDC nominal input series, nominal input voltage | - | - | 18 | |||
| 48VDC nominal input series, nominal input voltage | - | - | 36 | |||
| 110VDC nominal input series, nominal input voltage | - | - | 72 | |||
| Input undervoltage protection | 24VDC nominal input series, nominal input voltage | - | - | - | ||
| 48VDC nominal input series, nominal input voltage | - | - | - | |||
| 110VDC nominal input series, nominal input voltage | - | 100 | - | |||
| Input filter type | Capacitance filter type | |||||
| Hot plugged | Non-support | |||||
Output Characteristics
| Project name | Working and testing condition | +V01 | -V02 | |||||
| Min. | Typ. | Max. | Min. | Typ. | Max. | |||
| output load | load percentage | 0% | - | 100% | 0% | - | 100% | |
| Output Voltage Accuracy | - | ±1.0% | ±2.0% | - | ±2.0% | ±3.0% | ||
| Linear adjustment rate | input voltage range | - | ±2.0% | ±0.5% | - | ±1.5% | ±2.0% | |
| Load adjustment rate |
20%~100% rate load, balanced |
-- |
±0.5% |
±1.0% | - | ±4.0% | ±5.0% | |
| Ripple & Noise | Pure resistive load, 20HMz bandwidth, peak-to-peak | -- | 50mVp-p | 80mVp-p | - | 50mVp-p | 80mVp-p | |
| Output voltage regulation | Input voltage range | - | No adjustment end | - | - | No adjustment endNo adjustment end | - | |
| Output short circuit protection | Continuous short circuit protection, automatic recovery |
|||||||
| Notes: Ripple and Noise Test Methods Twisted Pair Test Method | ||||||||
Note:
1、The above is only a list of typical products. If you need products beyond the list, please contact our sales. 2、The maximum capacitive load indicates the maximum capacitive load that + VO or - vo can be connected to,If the value is exceeded, the product will not start normally..
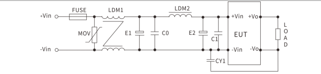
Typical Application Circuits

EMC parameter recommendation
| Component No. | Function | Recommended value |
| FMSE | Slow blowing fuse, selected according to the actual input current of the customer | |
| CY1 safety capacitor | 1nF/250Vac | |
Notes:More details please feel free to contact hi-link team.