{{ variable.name }}
数量:

Download files:
https://d.hlktech.net/Mobile/Download
Product Features
Wide range input 85-265VAC/70-350VDC
Input and output isolation voltage 3000VAC
No-load power consumption ≤0.1W
Working temperature range:-25℃
Fully enclosed plastic housing, in keeping with UL94V-0 level
High output short circuit and over-current protection and self recovery glue potting, dustproof, moisture-proof, shockproof, flame-retardant
Meet UL/CE/EMC and safety testing requirements
Using high-quality enviromentally friendly waterproof thermal conductive
Can be suing in medical, industrial control, electric power, instrumentation, communication, railway and other fields
Environment Condition
| Working Temerature | -25—+60 ℃ |
| Storage temperature | -40—+80 ℃ |
| Relative humidity | 5—95 % |
| Thermal methods | Natural cooling |
| Atmospheric pressure | 80—106 Kpa |
| Altitude | ≤2000 m |
| Vibration coefficient |
10~500Hz,2G10min./1cycle, 60min.each along X,Y,Z axes Meets requirements for secondary road transportation |
Input Features( test at room temperature)
| Rated input voltage | 100-240Vac |
| Input vlotage range | 85-265VAC/70-350VDC |
| The maximum input current | ≤0.4A |
| Input inrush current | ≤34A |
| Input low start | ≤50mS |
| External fuse recommended | 2A/250Vac or 10Ω wire wound resistance, Slow blow |
Output Features
| Full-load rated output voltage | 15.0±0.2% |
| Load regulation | ±0.5% |
| Switching on/off overshoot amplitude | (Rated input voltage, output plus10% load)≤5%Vo |
| Output over-current protection Output maximum load | 110-130% A |
| Ripple/Noise | ≤70mVp-p(Typ:50) |
Input Voltage & Load Characteristics
Working Environment Temperture & Load Characteristics

Typical Application Circuit

Safety Characteristics
Meet UL/CE requirements
(UL/CE certification requires customers to self-certify)
Safe compatible with battery
The input end design adopts UL certification 0.5A insurance
The fire ration of PCB board is 94-V0
Safety standards comply with UL1012,EN60950,UL60950
Insulation resistance I/P-O/P>100M 0hms/500Vdc 25℃ 70%RH
Conforms to radiation EN55011, EN55022(CISPR22)
Electrostatic discharge IEC/EN 61000-4--2 level 4 8KV/15KV
Temperature rise safety design
Under normal conditons, the maximum temperature rise of the inner surface of the power supply capacitor,
main converter, etc. does not exceed 90℃,and the maximum temperature rise of the shell surface does not exceed 60℃
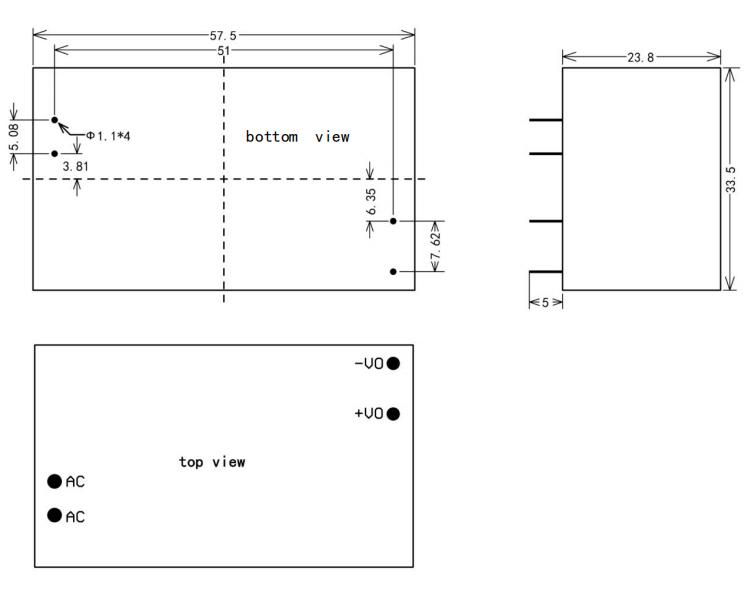
Dimension and Weight
