{{ variable.name }}
数量:

Download files:
https://d.hlktech.net/Mobile/Download
Product Feature
1. Wide input voltage range 2:1, isolated regulated output 3W
2. Isolation voltage 1500VDC
3. Transfer efficiency up to 83%
4. Output short-circuit protection: continuous short circuit protection, automatic recovery
5. The voltage of the input power supply is relatively stable.(Voltage variation range±10%Vin)
6. Operating temperature range :-40°C~+85°C
7. Small SIP package
8. International standard pin,direct installation of PCB board.
Enviroment Condition
| Project name | Qualification | Unit | Notes |
| Working enviroment temperature | -40—+85 | ℃ | |
| Storage temperture | -40—+125 ℃ | ℃ | |
| Relative humidity | 5—95 | % | |
| Heat dissipation mode | natural cooling | ||
| Atmospheric pressure | 80—106 Kpa | Kpa | |
| Ripple & Noise | 50/100(max) | Mvp-p |
Input Characteristics
| Item | Working conditions | Min. | Typ. | Max. | Unit |
| Input voltage range | 5VDC Input Series | 4.5 | 5 | 9 | VDC |
| 12VDC Input Series | 9 | 12 | 18 | ||
| 24VDC Input Series | 18 | 24 | 36 | ||
| 48VDC Input Series | 36 | 48 | 72 | ||
| Input current (full load/no load) | 5VDC Input Series | -- | 833/40 | 857/60 | mA |
| 12VDC Input Series | -- | 20/15 | 328/30 | ||
| 24VDC Input Series | -- | 160/6 | 164/10 | ||
| 48VDC Input Series | -- | 80/4 | 82/6 | ||
| Reflection ripple current | 5VDC Input Series | -- | 30 | -- | mA |
| 12VDC Input Series | 40 | -- | |||
| 24VDC Input Series | 55 | -- | |||
| 48VDC Input Series | 45 | -- | |||
| Impulse voltage(1sec.max.) | 5VDC Input Series | -0.7 | -- | 12 | VDC |
| 12VDC Input Series | -0.7 | -- | 25 | ||
| 24VDC Input Series | -0.7 | -- | 50 | ||
| 48VDC Input Series | -0.7 | -- | 100 | ||
| Starting voltage | 5VDC nominal input series, nominal input voltage | - | - | 4.5 | |
| 12VDC nominal input series, nominal input voltage | - | - | 9 | ||
| 24VDC nominal input series, nominal input voltage | - | - | 18 | ||
| 48VDC nominal input series, nominal input voltage | - | - | 36 | ||
| Input filter type | Capacitance filter type | ||||
| Hot plugged | Non-support | ||||
Output Characteristics
| Project name | Working and testing condition | Min. | Typ. | Max. | Unit | |
| Linear adjustment rate | Full load, input voltage from low voltage to high voltage | -- | ±3.0 | ±5.0 | % | |
| No-load output voltage accuracy | Input voltage range | -- | ±1.5 | ±5.0 | % | |
| Output Voltage Accuracy | 5%-100% load, input voltage range | 3.3V/5V Input | -- | ±3.0 | ±5.0 | % |
| others | -- | ±1.0 | ±3.0 | % | ||
| Load adjustment rate | 5%~10% load | 3.3VDC Output | -- | ±0.4 | ±75 | % |
| Transient recovery time | 25% load step change | -- | 0.5 | 2 | ms | |
| Transient Response Bias | -- | ±2.5 | ±5 | % | ||
| Ripple & Noise | Pure resistive load, 20HMz bandwidth, peak-to-peak | -- | 50 | 100 | mVp-p | |
| Temperature Drift Coefficient | Full load | -- | ±0.02 | ±0.03 | %/℃ | |
| Output short circuit protection | Continuous short circuit protection, automatic recovery |
|||||
| Notes: Ripple and Noise Test Methods Twisted Pair Test Method | ||||||
Note:
1、The above is only a list of typical products. If you need products beyond the list, please contact our sales. 2、The maximum capacitive load indicates the maximum capacitive load that + VO or - vo can be connected to,If the value is exceeded, the product will not start normally..
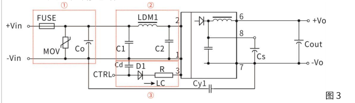
Typical Application Circuits

EMC parameter recommendation
| Component No. | Function | Recommended value |
| FMSE | Slow blowing fuse, selected according to the actual input current of the customer | |
| CY1 safety capacitor | 1nF/2KV | |
| D1 diode | RB160M-60V/1A | |
| R resistance | R=((Vc-Vd-1.0)/Ic)-300Ω | |
| Cd | 47nF/100V | |
Notes:More details please feel free to contact hi-link team.