{{ variable.name }}
数量:

Download files:
https://d.hlktech.net/Mobile/Download
Product Feature
3W, wide voltage input, isolated and stabilized positive and negative dual channel single output
Ultra compact SIP packaging
Wide input voltage range: 2:1
Working temperature range: -40 ° C to+85 ° C
Isolation voltage 1500VDC
Low ripple noise
Short circuit protection (self recovery)
Output can be turned off
Input Characteristics
| Item | Working conditions | Min. | Typ. | Max. | Unit |
| Input voltage range | 5VDC Input Series | 4.5 | 5 | 9 | VDC |
| 12VDC Input Series | 9 | 12 | 18 | ||
| 24VDC Input Series | 18 | 24 | 36 | ||
| 48VDC Input Series | 36 | 48 | 72 | ||
| Input current (full load/no load) | 5VDC Input Series | -- | 833/40 | 857/60 | mA |
| 12VDC Input Series | -- | 320/15 | 328/30 | ||
| 24VDC Input Series | -- | 160/6 | 164/10 | ||
| 48VDC Input Series | -- | 80/4 | 82/6 | ||
| Reflection ripple current | 5VDC Input Series | -- | 30 | -- | mA |
| 12VDC Input Series | 40 | -- | |||
| 24VDC Input Series | 55 | -- | |||
| 48VDC Input Series | 45 | -- | |||
| Impulse voltage(1sec.max.) | 5VDC Input Series | -0.7 | -- | 12 | VDC |
| 12VDC Input Series | -0.7 | -- | 25 | ||
| 24VDC Input Series | -0.7 | -- | 50 | ||
| 48VDC Input Series | -0.7 | -- | 100 | ||
| Starting voltage | 5VDC nominal input series, nominal input voltage | - | - | 4.5 | |
| 12VDC nominal input series, nominal input voltage | - | - | 9 | ||
| 24VDC nominal input series, nominal input voltage | - | - | 18 | ||
| 48VDC nominal input series, nominal input voltage | - | - | 36 | ||
| Input filter type | Capacitance filter type | ||||
| Hot plugged | Non-support | ||||
| Remote pin(Ctrl)* | Module enabled | Ctrl end suspended or high resistance | |||
| Module shutdown | Connect the high level (relative to the input ground) so that the current flowing into the Ctrl terminal is 5-10mA | ||||
Output Characteristics
| Project name | Working and testing condition | Min. | Typ. | Max. | Unit | |
| Linear adjustment rate | Full load, input voltage from low voltage to high voltage | -- | ±0.2 | ±0.5 | % | |
| No-load output voltage accuracy | Input voltage range | -- | ±1.5 | ±5.0 | % | |
| Output Voltage Accuracy | 5%-100% load, input voltage range | 3.3V/5V Input | -- | ±3.0 | ±5.0 | % |
| others | -- | ±1.0 | ±3.0 | % | ||
| Load adjustment rate | 5%~100% load | -- | ±0.4 | ±75 | % | |
| Transient recovery time | 25% load step change | -- | 0.5 | 2 | ms | |
| Transient Response Bias | -- | ±2.5 | ±5 | % | ||
| Ripple & Noise | Pure resistive load, 20HMz bandwidth, peak-to-peak | -- | 50 | 100 | mVp-p | |
| Temperature Drift Coefficient | Full load | -- | ±0.02 | ±0.03 | %/℃ | |
| Output short circuit protection | Continuous short circuit protection, automatic recovery |
|||||
| Notes: Ripple and Noise Test Methods Twisted Pair Test Method | ||||||
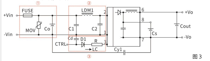
Typical Application Circuits

EMC parameter recommendation
| Component No. | 5V Input | 12V Input | 24V Input | 48V Input |
| FMSE | Slow blowing fuse, selected according to the actual input current of the customer | |||
| MOV varistor | - | 14D390K | 14D560K | 14D101K |
|
LDM1 inductance |
12uH | 12uH | 12uH | 12uH |
|
Co electrolytic capacitor |
1000μF/16V | 1000μF/25V | 330μF/50V | 330μF/100V |
| C1 ceramic capacitor | 4.7μF/50V | 4.7μF/50V | 4.7μF/50V | 4.7uF/100V |
| C2 ceramic capacitor | 4.7μF/50V | 4.7uF/50V | 4.7uF/50V | 4.7uF/100V |
| Cout ceramic capacitor | ||||
| CY1 safety capacitor | 1nF/2KV | |||
| D1 diode | RB160M-60V/1A | |||
| R resistance | According to the formula:R=((Vc-Vd-1.0)/1c)-300Ω | |||
| Cd | 47nF/100V | |||
Notes:More details please feel free to contact hi-link team.