{{ variable.name }}
数量:

Download files:
https://d.hlktech.net/Mobile/Download
Product Feature
Fixed voltage input, isolated non stabilized output, power 1W
Isolation voltage 1500VDC/1min, 3000VDC/1s
Low no-load power consumption: 0.025W (TyP.)
Working environment temperature: -40 ℃ C~+85 ℃ C
Efficiency up to 91%
Output short circuit protection: sustainable short circuit protection, automatically restoring international standard pin mode
Small SIP packaging
Low ripple/noise (20MH bandwidth): 30mVp-p (tyP.)
Over temperature protection and output sustainable short circuit protection ROHSMTBF ≥ 3.5 million hours (3500000 Hrs)
Input Characteristics
| Item | Working conditions | Min. | Typ. | Max. | Unit |
| Input current (full load/no load) | 3.3VDC Input Series | -- | 378/8 | -/15 | m'A |
| 5VDC Input Series | -- | 227/5 | --/10 | ||
| 12VDC Input Series | -- | 93/2 | --/5 | ||
| 15VDC Input Series | -- | 74/2 | --/4 | ||
| 24VDC Input Series | -- | 46/1 | --/2 | ||
| Reflection ripple current | -- | 15 | -- | m'A | |
|
Impulse voltage (lsec.max) |
3.3VDC Input Series | -0.7 | -- | 5 | VDC |
| 5VDC Input Series | -0.7 | -- | 9 | ||
| 12VDC Input Series | -0.7 | -- | 16 | ||
| 15VDC Input Series | -0.7 | -- | 20 | ||
| 24VDC Input Series | -0.7 | -- | 30 | ||
| Input filter type | Capacitance filter type | ||||
| Hot plugged | Non-support | ||||
Output Characteristics
| Project name | Working and testing condition | Min. | Typ. | Max. | Unit | |
| Output load | load percentage | 10 | -- | 100 | % | |
| Output Voltage Accuracy | See Error Envelope Curve | -- | -- | ±15.0 | % | |
| Linear adjustment rate | Input voltage variation ±1% | 3.3V Input | -- | -- | ±1.5 | % |
| others | -- | -- | ±1.2 | % | ||
| Load adjustment rate | 10%~100% load | 3.3VDC Output | -- | 15 | 20 | % |
| 5VDC Output | -- | 10 | 15 | % | ||
| 9VDC Output | -- | 8 | 10 | % | ||
| 12VDC Output | -- | 7 | 10 | % | ||
| 15VDC Output | -- | 6 | 10 | % | ||
| 24VDC Output | -- | 5 | 10 | % | ||
| Ripple & Noise | Pure resistive load, 20HMz bandwidth, peak-to-peak | -- | 30 | 80 | mVp-p | |
| Temperature Drift Coefficient | Full load | -- | -- | ±0.03 | %/℃ | |
| Output short circuit protection | Continuous short circuit protection, automatic recovery | -- | ||||
| Notes: Ripple and Noise Test Methods Twisted Pair Test Method | ||||||
Note:
1、The above is only a list of typical products. If you need products beyond the list, please contact our sales. 2、The maximum capacitive load indicates the maximum capacitive load that + VO or - vo can be connected to,If the value is exceeded, the product will not start normally..
Typical Application Circuits
1. Standard Application:

If further reduction of input and output ripple is required, a capacitor filtering network can be connected at the input and output terminals, and the application circuit is shown in Figure 1. However, attention should be paid to selecting appropriate filtering capacitors. If the capacitance is too large, it is likely to cause startup problems. For each output, while ensuring safe and reliable operation, the recommended capacitive load values are detailed in Table 1
| Vin (vdc) | Cin(uF) | Vo(Vdc) | Cout(uF) |
| 3.3/5 | 4.7 | 3.3/5 | 10 |
| 12 | 2.2 | 9 | 4.7 |
| 15 | 2.2 | 12 | 2.2 |
| 24 | 1 | 15 | 1 |
| 24 | 1 |
Table 1 Recommended capacitive load values for details
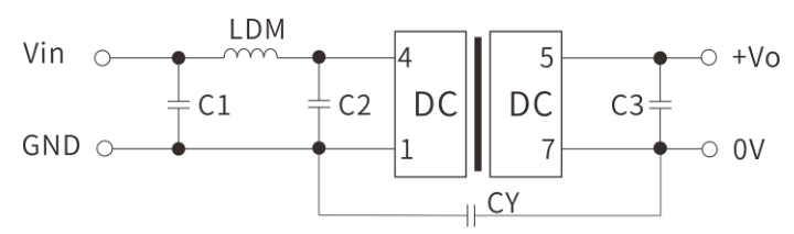
2. EMC typical application:

| Vin (Vdc) | 3.3/5/12/15/24 |
| C1/C2 | 4.7uF/50V |
| C3 | See the cout of Table 1 |
| LDM | 4.7uH |
| CY | 270pF/2KVDC |
Table EMC parameter recommendation
3. Notes:Output Load Requirements
In order to ensure that the module can work efficiently and reliably, the minimum output load should not be less than 10% of the rated load.If the power you need is really small, please connect a resistor in parallel between the positive and negative poles of the output terminal (the sum of the actual power used by the resistor is greater than or equal to 10% of the rated power and the rated power of the selected resistor must be greater than 5 times of the actual power used, otherwise the temperature of the resistor will be higher)