{{ variable.name }}
数量:

Download files:
https://d.hlktech.net/Mobile/Download
Product Features
Wide range input 85-264VAC/70-350VDC
Input and output isolation voltage 3000VAC
No-load power consumption ≤0.1W
Working temperature range:-25℃
Fully enclosed plastic housing, in keeping with UL94V-0 level
High output short circuit and over-current protection and self recovery glue potting, dustproof, moisture-proof, shockproof, flame-retardant
Meet UL/CE/EMC and safety testing requirements
Using high-quality enviromentally friendly waterproof thermal conductive
Can be suing in medical, industrial control, electric power, instrumentation, communication, railway and other fields
Environment Condition
| Item | Technical Parameters | Notes |
| Working Temerature | -25—+60 ℃ | |
| Storage temperature | -40—+80 ℃ | |
| Relative humidity | 5—95 % | |
| Thermal methods | Natural cooling | |
| Atmospheric pressure | 80—106 Kpa | |
| Altitude | ≤2000 m | |
| Vibration coefficient | 10~500Hz,2G10min./1cycle, 60min.each along X,Y,Z axes | Meets requirements for secondary road transportation |
Input Features( test at room temperature)
| Item | Technical Parameters | Notes |
| Rated input voltage | 100-240Vac | |
| Input vlotage range | 85-264VAC | or 70-350VDC |
| The maximum input voltage | 270VAC | |
| The maximum input CURRENT | ≤0.3A | |
| Input inrush current | ≤34A | |
| Input low start | ≤50mS | |
| External fuse recommended | 1A/250Vac or 10Ω wire wound resistance, | Slow blow |
Note: Tested at room temperature
Input Voltage & Load Characteristics

Working Environment Temperture & Load Characteristics

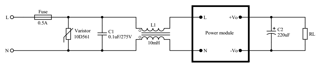
Typical Application Circuit

Safety Characteristics
Meet UL/CE requirements
(UL/CE certification requires customers to self-certify)
Safe compatible with battery
The input end design adopts UL certification 0.5A insurance
The fire ration of PCB board is 94-V0
Safety standards comply with UL1012,EN60950,UL60950
Insulation resistance I/P-O/P>100M 0hms/500Vdc 25℃ 70%RH
Conforms to radiation EN55011, EN55022(CISPR22)
Electrostatic discharge IEC/EN 61000-4--2 level 4 8KV/15KV
Temperature rise safety design
Under normal conditons, the maximum temperature rise of the inner surface of the power supply capacitor,
main converter, etc. does not exceed 90℃,and the maximum temperature rise of the shell surface does not exceed 60℃
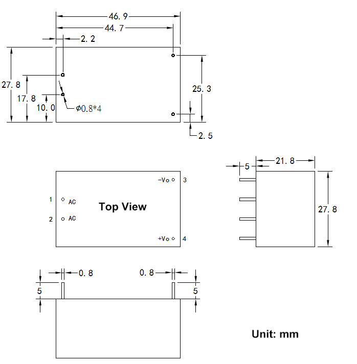
Dimension and Weight

mensional error:
1. Length, width, height and pin pitch error ± 8%
2. Pin length error ± 1mm
3. Pin diameter error +-0.2mm