{{ variable.name }}
Quantity:

Download files:
https://d.hlktech.net/Mobile/Download
Product Features
Global universal input voltage(85-265VAC)
Input and output isolation voltage 3000VAC
Low power consumption, green enviroment protection, no-load loss<0.1W
High efficiency, high power density
Long life design, continuous working time is greater then 100,000hours
High output-quality environmentally friendly waterproof thermal conductive glue potting, dustproof,moisture-proof, shockproof, flame-retardant
Meet UL/CE/EMC and safety testing requirenments
Can be used in medical, industrial control, electric power, instrumentation, communication,railway and other fields
Environment Condition
| Working Temerature | -25—+60 ℃ |
| Storage temperature | -40—+80 ℃ |
| Relative humidity | 5—95 % |
| Thermal methods | Natural cooling |
| Atmospheric pressure | 80—106 Kpa |
| Altitude | ≤2000 m |
| Vibration coefficient | 10~500Hz,2G10min./1cycle, 60min.each along X,Y,Z axes. Meets secondary road transportation requirements |
Input Features( test at room temperature)
| Rated input voltage | 100-240Vac |
| Input vlotage range | 85-265VAC/120-350VDC |
| The maximum input CURRENT | ≤0.4A |
| Input low start | ≤50mS |
| Long-term reliablity | MTBF≥100000H |
| External fuse recommended | 2A/250Vac, Slow blow |
Output Features(5V/3600mA)
| No-load rated output voltage | 5±0.1Vdc |
| Full-load rated output voltage | 5±0.2Vdc |
| Short term maximum output current | ≥4200mA |
| Rated output current | 4000mA |
| Voltage regulation rate | ±0.2% |
| Load regulation rate | ±0.5% |
| Switching on/off overshoot amplitude | (Rated input voltage, output with 10% load) ≤5%VO |
|
Output ripple and noise (mVp-p) |
≤100 Rated input voltage, output at full load. Using a 20MHz bandwidth oscilloscope, Test the load end with 10uF and 0.1uF capacitors. |
Output Features(9V/2200mA)
| No-load rated output voltage | 9±0.1Vdc |
| Full-load rated output voltage | 9±0.2Vdc |
| Short term maximum output current | ≥2300mA |
| Rated output current | 2200mA |
| Voltage regulation rate | ±0.2% |
| Load regulation rate | ±0.5% |
| Switching on/off overshoot amplitude | (Rated input voltage, output with 10% load) ≤5%VO |
|
Output ripple and noise (mVp-p) |
≤100 Rated input voltage, output at full load. Using a 20MHz bandwidth oscilloscope, Test the load end with 10uF and 0.1uF capacitors. |
Output Features(12V/1660mA)
| No-load rated output voltage | 12±0.1Vdc |
| Full-load rated output voltage | 12±0.2Vdc |
| Short term maximum output current | ≥1700mA |
| Rated output current | 1660mA |
| Voltage regulation rate | ±0.2% |
| Load regulation rate | ±0.5% |
| Switching on/off overshoot amplitude | (Rated input voltage, output with 10% load) ≤5%VO |
|
Output ripple and noise (mVp-p) |
≤100 Rated input voltage, output at full load. Using a 20MHz bandwidth oscilloscope, Test the load end with 10uF and 0.1uF capacitors. |
Output Features(15V/1330mA)
| No-load rated output voltage | 15±0.1Vdc |
| Full-load rated output voltage | 15±0.2Vdc |
| Short term maximum output current | ≥1430mA |
| Rated output current | 1330mA |
| Voltage regulation rate | ±0.2% |
| Load regulation rate | ±0.5% |
| Switching on/off overshoot amplitude | (Rated input voltage, output with 10% load) ≤5%VO |
|
Output ripple and noise (mVp-p) |
≤100 Rated input voltage, output at full load. Using a 20MHz bandwidth oscilloscope, Test the load end with 10uF and 0.1uF capacitors. |
Output Features(24V/830mA)
| No-load rated output voltage | 24±0.1Vdc |
| Full-load rated output voltage | 24±0.2Vdc |
| Short term maximum output current | ≥900mA |
| Rated output current | 830mA |
| Voltage regulation rate | ±0.2% |
| Load regulation rate | ±0.5% |
| Switching on/off overshoot amplitude | (Rated input voltage, output with 10% load) ≤5%VO |
|
Output ripple and noise (mVp-p) |
≤100 Rated input voltage, output at full load. Using a 20MHz bandwidth oscilloscope, Test the load end with 10uF and 0.1uF capacitors. |
Input Voltage & Load Characteristics

Working Environment Temperature & Load Characteristics

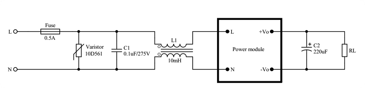
Typical Application Circuit

Parameter Recommendation
| Recommended Component | Function |
Recommended Parameters |
| F1/fuse | When the module is abnormal, protect the circuit from damage | 1A/250Vac, slow fuse |
| MOV1/Varistor | The cumulative surge is to protect the module from damage | 10D561K |
| C1/Safety capacitance | Filtering/safety protection/EMC certification | 0.1uF/275VAC |
| L1/Common-mode inductance | EMI filtering | Sensible value 10-30mH(testing requirements 1KHZ/0.3V current:100-500mA) |
Safety Characteristics
Meet UL/CE requirements(UL/CE certification requires customers to self-certify)
Safe compatible with battery
The input end design adopts UL certification 1A insurance
The fire ration of PCB board is 94-V0
Safety standards comply with UL1012,EN60950,UL60950
Insulation voltage I/P-O/P>2500Vac
Insulation resistance I/P-O/P>100M 0hms/500Vdc 25℃ 70%RH
Conforms to radiation EN55011, EN55022(CISPR22)
Electrostatic discharge IEC/EN 61000-4--2 level4 8KV/15KV
Temperature rise safety design
Under normal conditons, the maximum temperature rise of the inner surface of the power supply capacitor,
main converter, etc. does not exceed 90℃,and the maximum temperature rise of the shell surface does not exceed 60℃