{{ variable.name }}
Quantity:

Download files:
https://d.hlktech.net/Mobile/Download
Product Feature
1. Wide input voltage range 4:1, isolated regulated output 10W
2. Isolation voltage 1500VDC
3. Transfer efficiency up to 91%
4. Quick Start:1mS(Typ)
5. Operating temperature range :-40°C~+85°C
6. Small SIP package, metal case, low output ripple
7. International standard pin,direct installation of PCB board
8. Input undervoltage protection, output short circuit, overcurrent, overvoltage protection
General Features
| Project | Operating conditions | Min. | Typ. | Max. | Unit |
| Insulation voltage | Input-output, test time is 1 minute, leakage current is less than 1mA | 1500 | -- | -- | VDC |
|
Insulation resistance |
Input-output,insulation voltage : 500VDC | 1000 | -- | -- | MΩ |
| Isolation Capacitor | Input-output,100KHz/0.1V | -- | 1000 | -- | pF |
| Operating temperature | Reference temperature derating curve | -40 | -- | +85 | ℃ |
| Storage temperature | -40 | -- | +125 | ||
| Maximum temperature of the shell during operation | -- | -- | +100 | ||
| Storage humidity | No condensation | 5 | -- | 95 | %RH |
| Pin soldering temperature | The solder joint is 1.5mm away from the shell, 10 seconds | -- | -- | +300 | ℃ |
| Switching frequency | PWM mode | -- | 250 | -- | KHz |
| Viberation | 10-55Hz,10G,30Min.alongX,YandZ | ||||
| Shell material | Aluminum shell | ||||
| Minimum time between failures | MIL-HDBK-217F@25℃ | -- | 2X105 | -- | Hrs |
Input Characteristics
| Item | Working conditions | Min. | Typ. | Max. | Unit | |
| Input current (full load/ no load) | 24VDC Input Series | 3.3V | - | 402/1 | 413/2 | mA |
| others | - | 490/1 | 502/2 | |||
| 48VDC Input Series | 3.3V | - | 201/0.5 | 207/1 | ||
| others |
- | 245/0.5 | 251/1 | |||
| 110VDC Input Series | 3.3V | - | 87/0.3 | 90/0.5 | ||
| others |
- | 100/0.3 | 109/0.5 | |||
| Reflected ripple | 24VDC nominal input series, nominal input voltage | -- | 40 | -- | ||
| 48VDC Input Series | -- | 30 | -- | |||
| 110VDC Input Series | -- | 20 | -- | |||
| Impulse voltage (Isec.max) | 24VDC Input Series | -0.7 | -- | 50 | VDC | |
| 48VDC Input Series | -0.7 | -- | 100 | |||
| 110VDC Input Series | -0.7 | -- | 200 | |||
| Starting voltage | 24VDC nominal input series, nominal input voltage | - | - | 9 | ||
| 48VDC nominal input series, nominal input voltage | - | - | 18 | |||
| 110VDC nominal input series, nominal input voltage | - | - | 40 | |||
| Input undervoltage protection | 24VDC nominal input series, nominal input voltage | 5.5 | 6.5 | - | ||
| 48VDC nominal input series, nominal input voltage | 12 | 15.5 | - | |||
| 110VDC nominal input series, nominal input voltage | 32 | 36 | - | |||
| Startup time | Nominal input voltage and constant resistance load | - | 1 | - | mS | |
| Input filter type | PI type | |||||
| Hot plugged | Non-support |
|||||
| Remote control terminal(Ctrl)* | Module turned on | Ctrl floating or connected to TTL high level (3.5-12VDC) | ||||
| Module turned off | Ctrl is connected to GND or low level (0-1.2VDC) | |||||
| Input current at shutdown | - | 0 | 1 | mA | ||
| Note: *Ctrl control pin voltage is relative to input pin GND | ||||||
Output Characteristics
| Project name | Working and testing condition | +V01 | -V02 | |||||
| Min. | Typ. | Max. | Min. | Typ. | Max. | |||
| Output load | load percentage | 0% | - | 100% | 0% | - | 100% | |
| Output Voltage Accuracy | - | ±1.0% | ±2.0% | - | ±2.0% | ±3.0% | ||
| Linear adjustment rate | input voltage range | - | ±0.2% | ±0.5% | - | ±1.5% | ±2.0% | |
| Load adjustment rate |
20%~100% rate load, balanced |
-- |
±0.5% |
±1.0% | - | ±4.0% | ±5.0% | |
| Ripple & Noise | Pure resistive load, 20HMz bandwidth, peak-to-peak | -- | 50mVp-p | 80mVp-p | - | 50mVp-p | 80mVp-p | |
| Startup delay time | - | 1ms | - | - | 1ms | - | ||
| Output voltage regulation | Input voltage range | - | No adjustment end | - | - | No adjustment endNo adjustment end | - | |
| Dynamic response step deviation | 25% nominal load step | - | ±3.0% | ±5.0% | - | ±3.0% | ±5.0% | |
| Dynamic response recovery time | - | 300μs | 500μs | - | 300μs | 500μs | ||
| Output overvoltage protection | Full voltage range input | 110%Vo | - | 160%Vo | ||||
| Output overcurrent protection | Full voltage range input | 110%Io | 150%Io | 200%Io | ||||
| Output short circuit protection | Full voltage range input | Sustainable, self-healing | ||||||
| Note: ① For product models with output voltages of ±5VDC and ±9VDC, under 0%-5% load conditions, the maximum output voltage accuracy is ±5%; ②When tested under the working conditions of 0%-5% load, the index of the load adjustment rate is ±5%; ③0%-5% load ripple & noise less than or equal to 5% Vo. Ripple and noise test method Twisted pair test method, you can add capacitive load at the output to reduce light load ripple. | ||||||||
Note:
1、The above is only a list of typical products. If you need products beyond the list, please contact our sales. 2、The maximum capacitive load indicates the maximum capacitive load that + VO or - vo can be connected to,If the value is exceeded, the product will not start normally..

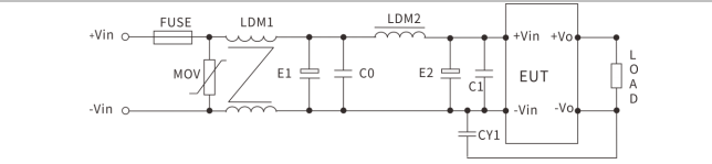
Typical Application Circuits

Notes:More details please feel free to contact hi-link team.