{{ variable.name }}
Quantity:

Download files:
https://d.hlktech.net/Mobile/Download
Product Feature
1. Wide input voltage range 4:1, isolated regulated output 25W
2. Isolation voltage 1500VDC
3. Transfer efficiency up to 91%(Typ)
4. Quick Start:1mS(Typ)
5. Operating temperature range :-40°C~+85°C
6. Metal case, low output ripple
7. International standard pin,direct installation of PCB board
8. Output short-circuit protection: continuous short circuit protection, automatic recovery
Enviroment Condition
| Project name | Qualification | Unit | Notes |
| Working enviroment temperature | -40—+85 | ℃ | |
| Storage temperture | -40—+125 ℃ | ℃ | |
| Relative humidity | 5—95 | % | |
| Heat dissipation mode | natural cooling | ||
| Atmospheric pressure | 80—106 Kpa | Kpa | |
| Ripple & Noise | 50/80(max) | Mvp-p |
Input Characteristics
| Item | Working conditions | Min. | Typ. | Max. | Unit | |
| Input voltage range(fully loaded/unloaded) | 24VDC Input Series | 3.3V | - | 937/20 | 959/2 | mA |
| 5V | - | 1157/25 | 1183/ | |||
| 12V | - | 1157/2 | 1183/ | |||
| 15V | - | 1144/2 | 1170/ | |||
| 24V | - | 1144/2 | 1170/ | |||
| ±5V | - | 1197/2 | 1225/ | |||
| ±12V | - | 1157/2 | 1183/ | |||
| ±15V | - | 1157/2 | 1183/ | |||
| ±24V | - | 1157/2 | 1183/ | |||
| 48VDC Input Series | 3.3V | - | 468/10 | 479/1 | ||
| 5V | - | 578/12 | 591/1 | |||
| 12V | - | 578/1 | 591/2 | |||
| 15V | - | 572/1 | 585/2 | |||
| 24V | - | 572/1 | 585/2 | |||
| ±5V | - | 598/1 | 612/2 | |||
| ±12V | - | 578/1 | 591/2 | |||
| ±15V | - | 578/1 | 591/2 | |||
| ±24V | - | 578/1 | 591/2 | |||
| Reflected Ripple Current | Nominal input voltage | -- | 40 | -- | mA | |
| 24VDC Input Series | -0.7 | -- | 50 | |||
| 48VDC Input Series | -0.7 | -- | 100 | |||
| 24VDC nominal input series, nominal input voltage | - | - | 9 | |||
| 48VDC nominal input series, nominal input voltage | - | - | 18 | |||
| Input undervoltage protection | 24VDC nominal input series, nominal input voltage | 5.5 | 6.5 | - | ||
| 48VDC nominal input series, nominal input voltage | 12 | 15.5 | - | |||
| Input filter type | PI type | |||||
| Hot plugged | Non-support | |||||
Output Characteristics
| Project name | Working and testing condition | +V01 | -V02 | |||||
| Min. | Typ. | Max. | Min. | Typ. | Max. | |||
| output load | load percentage | 0% | - | 100% | 0% | - | 100% | |
| Output Voltage Accuracy | - | ±1.0% | ±2.0% | - | ±2.0% | ±3.0% | ||
| Linear adjustment rate | input voltage range | - | ±0.2% | ±0.5% | - | ±1.5% | ±2.0% | |
| Load adjustment rate |
20%~100% rate load, balanced |
-- |
±0.5% |
±1.0% | - | ±4.0% | ±5.0% | |
| Ripple & Noise | Pure resistive load, 20HMz bandwidth, peak-to-peak | -- | 50mVp-p | 80mVp-p | - | 50mVp-p | 80mVp-p | |
| Output voltage regulation | Input voltage range | - | No adjustment end | - | - | No adjustment endNo adjustment end | - | |
| Output short circuit protection | Continuous short circuit protection, automatic recovery |
|||||||
| Notes: Ripple and Noise Test Methods Twisted Pair Test Method | ||||||||
Note:
1、The above is only a list of typical products. If you need products beyond the list, please contact our sales. 2、The maximum capacitive load indicates the maximum capacitive load that + VO or - vo can be connected to,If the value is exceeded, the product will not start normally..
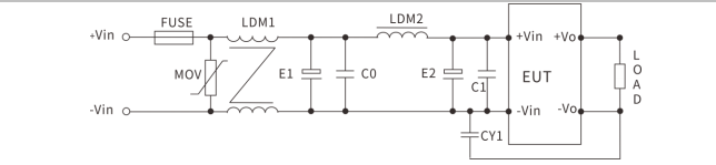
Typical Application Circuits

EMC parameter recommendation
| Component No. | Function | Recommended value |
| FMSE | Slow blowing fuse, selected according to the actual input current of the customer | |
| CY1 safety capacitor | 1nF/250Vac | |
Notes:More details please feel free to contact hi-link team.