{{ variable.name }}
Quantity:

Download files:
https://d.hlktech.net/Mobile/Download
1. characteristic:Constant voltage input, isolated non stabilized voltage single output,2W
2. Isolation voltage 1500VDC
3. Low no-load power consumption 0.025W(Typ.)
4. Transfer efficiency up to 90%
5. Output short-circuit protection: continuous short circuit protection, automatic recovery
6. The voltage of the input power supply is relatively stable.(Voltage variation range±10%Vin)
7. Operating temperature range :-40°C~+85°C
8. Small SIP package,Plastic Housing
9. International standard pin
10. High reliability and long life design,continuous working time MTBF≥3.5 million hours (3500000Hrs)
Enviroment Condition
| Project name | Qualification | Unit | Notes |
| Working enviroment temperature | -40—+85 | ℃ | |
| Storage temperture | -40—+125 ℃ | ℃ | |
| Relative humidity | 5—95 | % | |
| Heat dissipation mode | natural cooling | ||
| Atmospheric pressure | 80—106 Kpa | Kpa | |
| Ripple & Noise | 30/80(max) | Mvp-p |
Input Characteristics
| Item | Working conditions | Min. | Typ. | Max. | Unit |
| Input current (full load/no load) | 5VDC Input Series | -- | 454/5 | --/10 | m'A |
| 9VDC Input Series | -- | 250/5 | --/10 | ||
| 12VDC Input Series | -- | 186/2 | --/5 | ||
| 15VDC Input Series | -- | 148/2 | --/4 | ||
| 24VDC Input Series | -- | 92/1 | --/2 | ||
| Reflection ripple current | -- | 15 | -- | m'A | |
| Impulse voltage | 3.3VDC Input Series | -0.7 | -- | 5 | VDC |
| 5VDC Input Series | -0.7 | -- | 9 | ||
| 9VDC Input Series | -0.7 | -- | 15 | ||
| 12VDC Input Series | -0.7 | -- | 18 | ||
| 15VDC Input Series | -0.7 | -- | 21 | ||
| 24VDC Input Series | -0.7 | -- | 30 | ||
| Input filter type | Capacitive filtering | ||||
| Hot plugged | Non-support | ||||
Output Characteristics
| Project name | Working and testing condition | Min. | Typ. | Max. | Unit | |
| Output load | load percentage | 10 | -- | 100 | % | |
| Output Voltage Accuracy | See Error Envelope Curve | -- | -- | ±15.0 | % | |
| Linear adjustment rate | Input voltage variation ±1% | 3.3V Input | -- | -- | ±1.5 | % |
| others | -- | -- | ±1.2 | % | ||
| Load adjustment rate | 10%~100% load | 3.3VDC Output | -- | 18 | -- | % |
| 5VDC Output | -- | 12 | -- | % | ||
| 9VDC Output | -- | 8 | -- | % | ||
| 12VDC Output | -- | 7 | -- | % | ||
| 15VDC Output | -- | 6 | -- | % | ||
| 24VDC Output | -- | 5 | -- | % | ||
| Ripple & Noise | Pure resistive load, 20HMz bandwidth, peak-to-peak | -- | 30 | 80 | mVp-p | |
| Temperature Drift Coefficient | Full load | -- | -- | ±0.03 | %/℃ | |
| Output short circuit protection | Continuous short circuit protection, automatic recovery | -- | ||||
| Notes: Ripple and Noise Test Methods Twisted Pair Test Method | ||||||
Note:
1、The above is only a list of typical products. If you need products beyond the list, please contact our sales. 2、The maximum capacitive load indicates the maximum capacitive load that + VO or - vo can be connected to,If the value is exceeded, the product will not start normally..
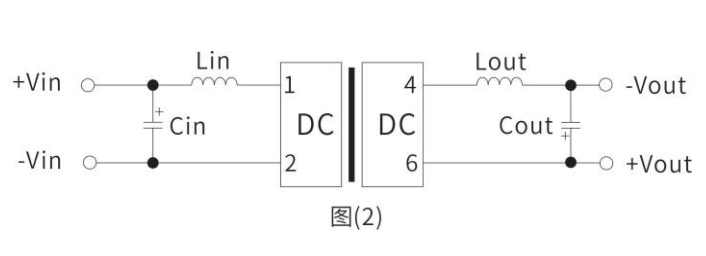
Typical Application Circuits

EMC parameter recommendation
| Component No. | Function | Recommended value |
| Cin Capacitance | Filter capacitor | 4.7μA/50V |
| Cout Capacitance | Filter capacitor | Refer to usual application |
| Lin inductance | Filter inductance | Inductance: 4.7uH |
| Lout inductance | Cin Capacitance | Inductance: 4.7uH |
Notes:Output Load Requirements
In order to ensure that the module can work efficiently and reliably, the minimum output load should not be less than 10% of the rated load.If the power you need is really small, please connect a resistor in parallel between the positive and negative poles of the output terminal (the sum of the actual power used by the resistor is greater than or equal to 10% of the rated power and the rated power of the selected resistor must be greater than 5 times of the actual power used, otherwise the temperature of the resistor will be higher)