{{ variable.name }}
Quantity:

Product Feature
1. Ultra wide range input (4:1), output 12W
2. Conversion efficiency 91%(Typ)
3. Isolation voltage: 1500VDC
4. Ultra low standby power consumption: 0.036W (typical)
5. Ultra fast start: 1mS (typical)
6. Operating temperature range :-40°C~+85°C
7. Output protection: short circuit protection, over current protection, over voltage protection
8. Metal case, low output ripple
9. International standard pin, PCB board in-line installation
Enviroment Condition
| Project name | Qualification | Unit | Notes |
| Working enviroment temperature | -40—+85 | ℃ | |
| Storage temperture | -40—+125 ℃ | ℃ | |
| Relative humidity | 5—95 | % | |
| Heat dissipation mode | natural cooling | ||
| Atmospheric pressure | 80—106 Kpa | Kpa | |
| Vibrate | 10-55Hz,10G,30Min.alongx,YandZ |
Input Characteristics
| Item | Working conditions | Min. | Typ. | Max. | Unit | |
|
Input current (full load/no load) |
24VDC Input Series | 3.3V | - | 503/1 | 515/2 | mA |
| others | - | 549/1 | 602/2 | |||
| 48VDC Input Series | 3.3V | - | 252/0.5 | 258/1 | ||
| others | - | 274/0.5 | 301/1 | |||
| 110VDC Input Series | 3.3V | - | 110/0.3 | 113/0.5 | ||
| others | - | 128/0.3 | 136/0.5 | |||
| Reflection ripple current | 24VDC input series, output voltage | - | 40 | - | mA | |
| 48VDC input series, output voltage | - | 30 | - | |||
| 110VDC input series, output voltage | - | 20 | - | |||
|
Impulse voltage (lsec.max) |
24VDC Input Series | -0.7 | -- | 50 |
VDC |
|
| 48VDC Input Series | -0.7 | -- | 100 | |||
| 110VDC Input Series | -0.7 | -- | 200 | |||
| Start Voltage | 24VDC Input Series | - | - | 9 | ||
| 48VDC Input Series | - | - | 18 | |||
| 110VDC Input Series | - | - | 40 | |||
|
Input undervoltage protection |
24VDC Input Series | 5.5 | 6.5 | - | ||
| 48VDC Input Series | 12 | 15.5 | - | |||
| 110VDC Input Series | 32 | 36 | - | |||
| Input filter type | PI type | |||||
| Hot plugged | Non-support |
|||||
Output Characteristics
| Project name | Working and testing condition | +Vo1 | -Vo2 | ||||
| Min. | Typ. | Max. | Min. | Typ. | Max. | ||
| Output load | load percentage | 0% | - | 100% | 0% | - | 100% |
|
Output voltage accuracy |
- | ±1.0% | ±2.0% | - | ±2.0% | ±3.0% | |
|
Linear adjustment rate |
input voltage range | - |
±0.2% |
±0.5% | - | ±1.5% | ±2% |
|
Load adjustment rate |
20%-100% rated load, balanced load | - | ±0.5% | ±1.0% | - | ±4.0% | ±5.0% |
| Ripple & Noise | Pure resistive load,20MHz broadband, peak to peak, 5%-100% load | - | 50mVp-p | 80mVp-p | - | 50mVp-p | 80mVp-p |
| Start time delay | - | 1ms | - | - | 1ms | - | |
| Input vlotage adjustment | input voltage range | - | no adjustment | - | - | no adjustment | - |
| Dynamic response step deviation |
25% nominal load step |
- | ±3.0% | ±5.0% | - | ±3.0% | ±5.0% |
|
Dynamic response recovery time |
- | 300μs | 500μs | - | 300μs | 500μs | |
| Output overvoltage protection | full voltage input range | 110%Vo | - | 160%Vo | |||
| Output overcurrent protection | full voltage input range | 110%lo | 150%lo | 200%lo | |||
| Output short circuit protection | full voltage input range | sustainable, self-recovery | |||||
Note:
(1) For product model with output voltage ±5VDC or ±9VDC , the maximum output voltage accuracy is ±5% under 0% - 5% load condition
(2) When tested according to the 0%-00% load working condition, the load adjustment rate is ±5%
(3) 0%-5% load ripple & noise less than or equal to 5% Vo. Ripple and noise test method, Twisted pair test method, can add capacitive load at the output to reduce light load ripple
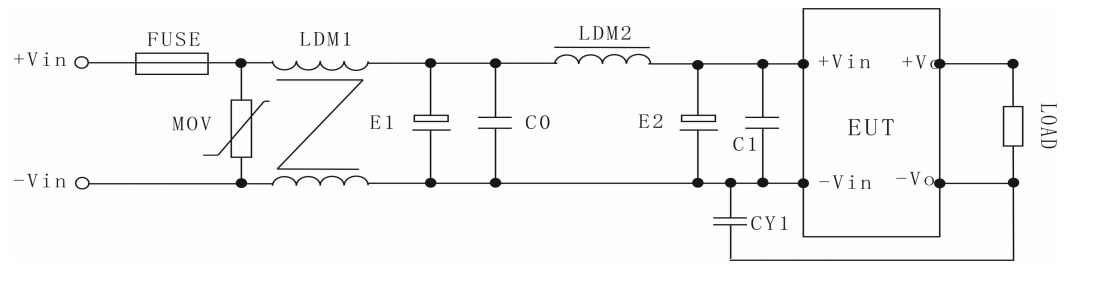
Typical Application Circuits

EMC parameter recommendation
| Component No. | 24V input | 48V input | 110V input |
| Fuse | Follow up on customer needs and connect corresponding fuses | ||
| MOV1/Varistor | 14D560K | 14D101K | 14D201K |
| ldm1/Common mode inductance | 10mH | 15mH | 30mH |
| CO,C1 Ceramic capacitors | 1uF/50V | 1uF/100V | 0.47uF/250V |
| E1,E2 Electrolytic capacitor | 100uF/50V | 100uF/100V | 63uF/200V |
| LDM2/Differential mode inductance | 1nF/250Vac | ||
Notes:
* Fuses and varistors are basic parts of protection circuits (required).
* If the certification is required, the safety capacitor and common mode inductance cannot be omitted.
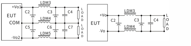
Output filtering

For usual requirements of ripple and noise, the peripheral recommendation is only C2; For strict requirements of ripple and noise, the above circuit is recommended. Notes:
(1) C2, C3 use high frequency low resistance electrolytic capacitor, and the total capacity can not exceed the maximum capacitive load indicated in the manual, otherwise the module will not start normally. (2) When the capacitive load is used, the minimum load of 3% must be guaranteed, otherwise the module output will be abnormal.
| Component No. | 3.3V output | ±5V or 5V output |
±9/±12V or 9V/1V output |
±15 or 15V output | ±24 or 24V output
|
| LDM3/Common mode inductance | 0.47uH | 1uH | 2.2uH | 2.2uH | 4.7uH |
| LDM4/Common mode inductance | 0.47uH | 1uH | 2.2uH | 2.2uH | 4.7uH |
| LDM5/Common mode inductance | - | 1uH | 2.2uH | 2.2uH | 4.7uH |
| C2,C3 Electrolytic capacitor | 220uF | 220uF | 100uF | 100uF | 68uF |
| C5,C6 Electrolytic capacitor | 220uF | 220uF | 100uF | 100uF | 68uF |
| C4 Ceramic capacitors | 1uF/50V | ||||
Dimension and Weight

| Single(S) | 1 | 2 | 3 | 4 | 5 | 6 |
| -VIN | +VIN | +VO | NP | GND | CTRL | |
| Input negative | Input positive | Output positive | ---- | Output positive | remote terminal |
|
| Dual(D) | -VIN | +VIN | +VO1 | COM | -VO2 | CTRL |
| Input negative | Input positive | Output positive | common terminal | output negative2 | remote terminal |