{{ variable.name }}
Quantity:
Product introduction
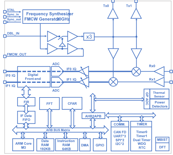
HLK-LD6002C device has integrated 2 transmit and 2 receive channels, IQ down-conversion mixers, a RF VCO, a Fractional-N PLL, frequency tripler, built-in digital signal processing units, including FIR, FFT and other radar signal processing function blocks. The device includes an ARM® Cortex®-M3 Core based processor subsystem, which is responsible for radio chip configuration, control, calibration and data communications. The device is provided with a complete platform including reference design, software drivers, API guides and user documentations. The device also supports cascade-mode operation for applications that need higher accuracy and long range.
Product Features
Integrated PLL, Transmitter, Receiver, Baseband and ADCs
Operating Frequency: 57 to 64GHz
2-Transmit, 2-Receive Channels
Ultra-Accurate Chirp (Timing) Engine Based on Fractional-N PLL
Tx Power @ Single Channel: 12dBm
57 to 65GHz Phase Noise@1MHz offset: - 91dBc/Hz
Rx Noise Figure: 11dB
RF Built-in self-test (BIST) module, Self-calibrated System Across Frequency and Temperature
ARM® Cortex®-M3 Core
Built-in Digital Signal Process, including FIR, FFT and etc.
Built-in FMCW Chirp generation
Available IOs:
--- 1 SPI Channels
--- 1 CAN2.0/CAN-FD
--- 3 UARTs
--- 1 I2Cs
--- Interface for analog IF output
Power management with low power mode
Digital I/O voltage 3.3V
Clock Source
--- 50.0MHz Oscillator or Crystal
--- Support external 32.768KHz crystal
--- Internal RC Oscillator, 32KHz +/- 20%
Easy hardware design with 0.5mm pitch, 113-pin and 6.75mm x 6.75mm x 0.49mm fanout BGA package for small formfactor size
Applications
Respiratory rate monitoring
Human persistence monitoring
Gesture recognition
Low power carpark monitoring
System Block Diagram

Specifications
| Signal Name | Signal description | Max Ratings |
Unit | |
| Min | Max | |||
| RF power | RF power | 0 | 1.45 | V |
| VDD | Digital 1.2V supply | 0 | 1.4 | V |
| VDD12 | Internal 1.2V LDO output | 0 | 1.4 | V |
| AVDD18_PLL | Internal PLL Power supply | 0 | 2.75 | V |
| AVDD18_PLL_VCO | Internal VCO Power | 0 | 2.75 | V |
| AVDD18_BB1 | Internal Baseband1 Power | 0 | 2 | V |
| AVDD18_BB2 | Internal Baseband2 Power | 0 | 2 | V |
| VDD33 | Analog 3.3V Power | 0 | 3.63 | V |
| DVDD33 | Digital 3.3V Power | 0 | 3.63 | V |
| CLKP, CLKN | Input ports for reference crystal | -0.5 | 2 | V |
| Clamp current |
Limit clamp current through the internal diode protection of the I/O |
-20 | 20 | mA |
| T J | Operating junction temperature range | -40 | 125 | °c |
| T STG |
Storage temperature range after soldered onto PC board |
-55 | 150 | °c |
(1) Stress beyond those listed under Absolute Maximum Ratings may cause permanent damage to the device. Exposure to any Absolute Maximum Rating condition for extended periods of time may affect device reliability and lifetime
Module Block

Module Size

HLK-LD6002C module size(unit: mm)

HLK-LD6002C module thickness(unit: mm)
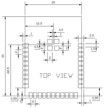
Footprint Size

HLK-LD6002C module footprint(unit: mm) (TOP VIEW)

HLK-LD6002C module SMT footprint(unit: mm) (TOP VIEW)